
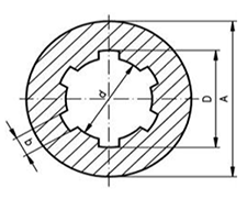
*If data table appears to be cutoff please scroll horizontally
| Part # | Profile | D | b | No. of Keys | d-H7 | A | Length |
|---|---|---|---|---|---|---|---|
| SRH11-BR | 11x14 | 14 | 3 | 6 | 11 | 20 | 40 |
| SRH11-SS | 11x14 | 14 | 3 | 6 | 11 | 20 | 40 |
| SRH11-ST | 11x14 | 14 | 3 | 6 | 11 | 20 | 40 |
| SRH13-BR | 13x16 | 16 | 3.5 | 6 | 13 | 28 | 45 |
| SRH13-SS | 13x16 | 16 | 3.5 | 6 | 13 | 28 | 45 |
| SRH13-ST | 13x16 | 16 | 3.5 | 6 | 13 | 28 | 45 |
| SRH16-BR | 16x20 | 20 | 4 | 6 | 16 | 32 | 45 |
| SRH16-SS | 16x20 | 20 | 4 | 6 | 16 | 32 | 45 |
| SRH16-ST | 16x20 | 20 | 4 | 6 | 16 | 32 | 45 |
| SRH18-BR | 18x22 | 22 | 5 | 6 | 18 | 40 | 50 |
| SRH18-SS | 18x22 | 22 | 5 | 6 | 18 | 40 | 50 |
| SRH18-ST | 18x22 | 22 | 5 | 6 | 18 | 40 | 50 |
| SRH21-BR | 21x25 | 25 | 5 | 6 | 21 | 40 | 55 |
| SRH21-SS | 21x25 | 25 | 5 | 6 | 21 | 40 | 55 |
| SRH21-ST | 21x25 | 25 | 5 | 6 | 21 | 40 | 55 |
| SRH23-BR | 23x28 | 28 | 6 | 6 | 23 | 50 | 55 |
| SRH23-SS | 23x28 | 28 | 6 | 6 | 23 | 50 | 55 |
| SRH23-ST | 23x28 | 28 | 6 | 6 | 23 | 50 | 55 |
| SRH26-BR | 26x32 | 32 | 6 | 6 | 26 | 52 | 60 |
| SRH26-SS | 26x32 | 32 | 6 | 6 | 26 | 52 | 60 |
| SRH26-ST | 26x32 | 32 | 6 | 6 | 26 | 52 | 60 |
| SRH28-BR | 28x34 | 34 | 7 | 6 | 28 | 60 | 60 |
| SRH28-SS | 28x34 | 34 | 7 | 6 | 28 | 60 | 60 |
| SRH28-ST | 28x34 | 34 | 7 | 6 | 28 | 60 | 60 |
| SRH32-BR | 32x38 | 38 | 6 | 8 | 32 | 60 | 60 |
| SRH32-SS | 32x38 | 38 | 6 | 8 | 32 | 60 | 60 |
| SRH32-ST | 32x38 | 38 | 6 | 8 | 32 | 60 | 60 |
| SRH36-BR | 36x42 | 42 | 7 | 8 | 36 | 70 | 60 |
| SRH36-SS | 36x42 | 42 | 7 | 8 | 36 | 70 | 60 |
| SRH36-ST | 36x42 | 42 | 7 | 8 | 36 | 70 | 60 |
| SRH42-BR | 42x48 | 48 | 8 | 8 | 42 | 80 | 70 |
| SRH42-SS | 42x48 | 48 | 8 | 8 | 42 | 80 | 70 |
| SRH42-ST | 42x48 | 48 | 8 | 8 | 42 | 80 | 70 |
| SRH54-BR | 46x54 | 54 | 9 | 8 | 46 | 80 | 90 |
| SRH54-SS | 46x54 | 54 | 9 | 8 | 46 | 80 | 90 |
| SRH54-ST | 46x54 | 54 | 9 | 8 | 46 | 80 | 90 |