
**PLASTIC, PLATE STYLE & CUSTOM GEARS ALSO AVAILABLE**
MATERIAL: C45 Steel & Stainless Steel 1.4305 - C45 Steel Can be Heat Treated
20° Pressure Angle
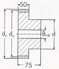
SIZES IN MM
*If data table appears to be cutoff please scroll horizontally
| Part # | No. Of Teeth | Bore-BH8 | Hub Dia. - d | Outside Dia. - dk | Pitch Dia. - do |
|---|---|---|---|---|---|
| M5B12 | 12 | 16 | 45 | 70 | 60 |
| M5B13 | 13 | 16 | 50 | 75 | 65 |
| M5B14 | 14 | 20 | 55 | 80 | 70 |
| M5B15 | 15 | 20 | 60 | 85 | 75 |
| M5B16 | 16 | 20 | 65 | 90 | 80 |
| M5B17 | 17 | 20 | 70 | 95 | 85 |
| M5B18 | 18 | 20 | 70 | 100 | 90 |
| M5B19 | 19 | 20 | 70 | 105 | 95 |
| M5B20 | 20 | 20 | 80 | 110 | 100 |
| M5B21 | 21 | 20 | 80 | 115 | 105 |
| M5B22 | 22 | 25 | 80 | 120 | 110 |
| M5B23 | 23 | 25 | 90 | 125 | 115 |
| M5B24 | 24 | 25 | 90 | 130 | 120 |
| M5B25 | 25 | 25 | 90 | 135 | 125 |
| M5B26 | 26 | 25 | 100 | 140 | 130 |
| M5B27 | 27 | 25 | 100 | 145 | 135 |
| M5B28 | 28 | 25 | 100 | 150 | 140 |
| M5B29 | 29 | 25 | 100 | 155 | 145 |
| M5B30 | 30 | 25 | 100 | 160 | 150 |
| M5B32 | 32 | 25 | 100 | 170 | 160 |
| M5B36 | 36 | 25 | 110 | 190 | 180 |
| M5B38 | 38 | 30 | 110 | 200 | 190 |
| M5B40 | 40 | 30 | 110 | 210 | 200 |
| M5B42 | 42 | 30 | 120 | 220 | 210 |
| M5B55 | 55 | 30 | 120 | 285 | 275 |
| M5B60 | 60 | 30 | 120 | 310 | 300 |
Filter by:
Clear All