
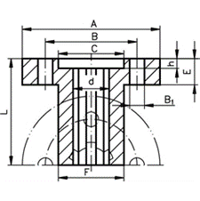
MATERIAL: C45 Steel, 1.4305 Stainless Steel & GC-CuSn7ZnPb Bronze With Mounting Holes
SIZES IN MM
*If data table appears to be cutoff please scroll horizontally
| Part # | Profile | A | B | B1 | C | F | d-H7 | E | H | L |
|---|---|---|---|---|---|---|---|---|---|---|
| SFH11-BR | 11x14 | 42 | 28 | 4.5 | 20 | 20 | 11 | 8 | 3.0 | 35 |
| SFH11-SS | 11x14 | 42 | 28 | 4.5 | 20 | 20 | 11 | 8 | 3.0 | 35 |
| SFH11-ST | 11x14 | 42 | 28 | 4.5 | 20 | 20 | 11 | 8 | 3.0 | 35 |
| SFH13-BR | 13x16 | 50 | 36 | 4.5 | 22 | 25 | 13 | 8 | 3.0 | 40 |
| SFH13-SS | 13x16 | 50 | 36 | 4.5 | 22 | 25 | 13 | 8 | 3.0 | 40 |
| SFH13-ST | 13x16 | 50 | 36 | 4.5 | 22 | 25 | 13 | 8 | 3.0 | 40 |
| SFH16-BR | 16x20 | 52 | 38 | 5.5 | 25 | 28 | 16 | 10 | 3.0 | 40 |
| SFH16-SS | 16x20 | 52 | 38 | 5.5 | 25 | 28 | 16 | 10 | 3.0 | 40 |
| SFH16-ST | 16x20 | 52 | 38 | 5.5 | 25 | 28 | 16 | 10 | 3.0 | 40 |
| SFH18-BR | 18x22 | 54 | 40 | 5.5 | 30 | 30 | 18 | 10 | 3.5 | 45 |
| SFH18-SS | 18x22 | 54 | 40 | 5.5 | 30 | 30 | 18 | 10 | 3.5 | 45 |
| SFH18-ST | 18x22 | 54 | 40 | 5.5 | 30 | 30 | 18 | 10 | 3.5 | 45 |
| SFH21-BR | 21x25 | 62 | 48 | 6.6 | 35 | 34 | 21 | 10 | 3.5 | 50 |
| SFH21-SS | 21x25 | 62 | 48 | 6.6 | 35 | 34 | 21 | 10 | 3.5 | 50 |
| SFH21-ST | 21x25 | 62 | 48 | 6.6 | 35 | 34 | 21 | 10 | 3.5 | 50 |
| SFH23-BR | 23x28 | 64 | 50 | 6.6 | 36 | 36 | 23 | 10 | 3.5 | 55 |
| SFH23-SS | 23x28 | 64 | 50 | 6.6 | 36 | 36 | 23 | 10 | 3.5 | 55 |
| SFH23-ST | 23x28 | 64 | 50 | 6.6 | 36 | 36 | 23 | 10 | 3.5 | 55 |
| SFH26-BR | 26x32 | 70 | 56 | 6.6 | 40 | 42 | 26 | 10 | 3.5 | 60 |
| SFH26-SS | 26x32 | 70 | 56 | 6.6 | 40 | 42 | 26 | 10 | 3.5 | 60 |
| SFH26-ST | 26x32 | 70 | 56 | 6.6 | 40 | 42 | 26 | 10 | 3.5 | 60 |
| SFH28-BR | 28x34 | 78 | 60 | 9.0 | 46 | 45 | 28 | 12 | 3.5 | 60 |
| SFH28-SS | 28x34 | 78 | 60 | 9.0 | 46 | 45 | 28 | 12 | 3.5 | 60 |
| SFH28-ST | 28x34 | 78 | 60 | 9.0 | 46 | 45 | 28 | 12 | 3.5 | 60 |
| SFH32-BR | 32x38 | 82 | 65 | 9.0 | 50 | 50 | 32 | 12 | 3.5 | 60 |
| SFH32-SS | 32x38 | 82 | 65 | 9.0 | 50 | 50 | 32 | 12 | 3.5 | 60 |
| SFH32-ST | 32x38 | 82 | 65 | 9.0 | 50 | 50 | 32 | 12 | 3.5 | 60 |
| SFH36-BR | 36x42 | 90 | 70 | 9.0 | 52 | 52 | 36 | 16 | 4.0 | 80 |
| SFH36-SS | 36x42 | 90 | 70 | 9.0 | 52 | 52 | 36 | 16 | 4.0 | 80 |
| SFH36-ST | 36x42 | 90 | 70 | 9.0 | 52 | 52 | 36 | 16 | 4.0 | 80 |
| SFH42-BR | 42x48 | 95 | 75 | 11.0 | 60 | 60 | 42 | 16 | 4.0 | 80 |
| SFH42-SS | 42x48 | 95 | 75 | 11.0 | 60 | 60 | 42 | 16 | 4.0 | 80 |
| SFH42-ST | 42x48 | 95 | 75 | 11.0 | 60 | 60 | 42 | 16 | 4.0 | 80 |
| SFH46-BR | 46x54 | 100 | 80 | 11.0 | 65 | 65 | 46 | 16 | 4.0 | 100 |
| SFH46-SS | 46x54 | 100 | 80 | 11.0 | 65 | 65 | 46 | 16 | 4.0 | 100 |
| SFH46-ST | 46x54 | 100 | 80 | 11.0 | 65 | 65 | 46 | 16 | 4.0 | 100 |