Steel- Similar to DIN 808. These low-price, single universal joints are especially suited for manual operation at low torques. As the contact surfaces are not hardened/ground, they can only be used at high speeds for short intervals.
SIZES IN MM
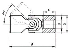
Max. Operating Angle 45°

*If data table appears to be cutoff please scroll horizontally
| Part # | B-H7 | D | A | C | Permissible Max - 100 (Nm) | Permissible Max - 200 (Nm) | Permissible Max - 300 (Nm) | Permissible Max - 400 (Nm) | Permissible Max - 500 (Nm) | Permissible Max - 700 (Nm) | Permissible Max - 800 (Nm) | Weight (kg) |
|---|---|---|---|---|---|---|---|---|---|---|---|---|
| ULC6S | 6 | 13 | 40 | 13 | 6.6 | 6 | 5.3 | 4.8 | 4.4 | x | x | 0.03 |
| ULC8S | 8 | 16 | 40 | 10 | 13 | 9 | 8 | 7 | 6 | 5.2 | 4.7 | 0.04 |
| ULC10S | 10 | 20 | 45 | 10 | 25 | 17 | 15 | 12 | 11 | 10 | 7 | 0.08 |
| ULC12S | 12 | 25 | 50 | 11 | 45 | 25 | 21 | 16 | 14 | 11 | 9 | 0.14 |
| ULC14S | 14 | 29 | 56 | 13 | 70 | 45 | 40 | 33 | 30 | 26 | 22 | 0.20 |
| ULC16S | 16 | 32 | 65 | 15 | 88 | 85 | 72 | 55 | 50 | 43 | 34 | 0.29 |
| ULC18S | 18 | 37 | 72 | 17 | 160 | 120 | 100 | 68 | 58 | 54 | x | 0.44 |
| ULC20S | 22 | 47 | 95 | 22 | 300 | 200 | 150 | 110 | 93 | x | x | 0.93 |
| ULC20S | 20 | 40 | 82 | 19 | 240 | 170 | 120 | 90 | 80 | 72 | x | 0.57 |
| ULC25S | 25 | 50 | 108 | 27 | 390 | 250 | 180 | 140 | 115 | x | x | 1.19 |
| ULC30S | 30 | 58 | 122 | 30 | 430 | 330 | 200 | 150 | 128 | x | x | 1.72 |