Steel- Similar to DIN 808. These low-price, single universal joints are especially suited for manual operation at low torques. As the contact surfaces are not hardened/ground, they can only be used at high speeds for short intervals.
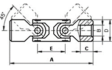
SIZES IN MM
Max. Operating Angle 90°

*If data table appears to be cutoff please scroll horizontally
| Part # | B-H7 | D | A | E | C | Permissible Max - 100 (Nm) | Permissible Max - 200 (Nm) | Permissible Max - 300 (Nm) | Permissible Max - 400 (Nm) | Permissible Max - 500 (Nm) | Permissible Max - 700 (Nm) | Permissible Max - 800 (Nm) | Weight (kg) |
|---|---|---|---|---|---|---|---|---|---|---|---|---|---|
| UL6D | 6 | 13 | 63 | 23 | - | 5.9 | 5.4 | 4.8 | 4.3 | 3.9 | x | x | 0.07 |
| UL8D | 8 | 16 | 67 | 27 | - | 11 | 8.1 | 7.2 | 6.3 | 5.4 | 4.7 | 4.2 | 0.07 |
| UL10D | 10 | 20 | 74 | 29 | - | 22 | 15 | 13 | 11 | 9.9 | 9 | 6.3 | 0.08 |
| UL12D | 12 | 22 | 74 | 29 | 11 | 40 | 22 | 19 | 14 | 12 | 10 | 8.1 | 0.13 |
| UL14D | 14 | 25 | 85 | 33 | 13 | 63 | 40 | 36 | 29 | 27 | 23 | 20 | 0.19 |
| UL16D | 16 | 29 | 100 | 35 | 19 | 79 | 76 | 64 | 49 | 45 | 38 | 30 | 0.31 |
| UL18D | 18 | 32 | 112 | 39 | 20 | 144 | 108 | 90 | 61 | 52 | 48 | x | 0.44 |
| UL20D | 20 | 40 | 128 | 46 | 19 | 216 | 153 | 108 | 81 | 72 | 64 | x | 0.82 |
| UL22D | 22 | 40 | 145 | 46 | 25 | 270 | 180 | 135 | 99 | 83 | x | x | 0.94 |
| UL25D | 25 | 50 | 163 | 59 | 24 | 350 | 225 | 160 | 126 | 103 | x | x | 1.56 |
| UL30D | 30 | 58 | 182 | 66 | 28 | 380 | 295 | 180 | 135 | 115 | x | x | 2.43 |