
**PLASTIC, PLATE STYLE & CUSTOM GEARS ALSO AVAILABLE**
MATERIAL: C45 Steel & Stainless Steel 1.4305 - C45 Steel Can be Heat Treated
20° Pressure Angle
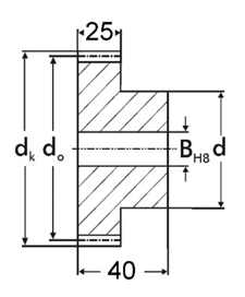
SIZES IN MM
*If data table appears to be cutoff please scroll horizontally
| Part # | No. Of Teeth | Bore-BH8 | Hub Dia. - d | Outside Dia. - dk | Pitch Dia. - do |
|---|---|---|---|---|---|
| M2.5B12 | 12 | 10 | 22 | 35 | 30 |
| M2.5B13 | 13 | 10 | 25 | 37.5 | 32.5 |
| M2.5B14 | 14 | 10 | 28 | 40 | 35 |
| M2.5B15 | 15 | 10 | 30 | 42.5 | 37.5 |
| M2.5B16 | 16 | 12 | 32 | 45 | 40 |
| M2.5B17 | 17 | 12 | 35 | 47.5 | 42.5 |
| M2.5B18 | 18 | 12 | 35 | 50 | 45 |
| M2.5B19 | 19 | 12 | 35 | 52.5 | 47.5 |
| M2.5B20 | 20 | 14 | 40 | 55 | 50 |
| M2.5B21 | 21 | 14 | 40 | 57.5 | 52.5 |
| M2.5B22 | 22 | 14 | 45 | 60 | 55 |
| M2.5B23 | 23 | 14 | 45 | 62.5 | 57.5 |
| M2.5B24 | 24 | 14 | 45 | 65 | 60 |
| M2.5B25 | 25 | 14 | 50 | 67.5 | 62.5 |
| M2.5B26 | 26 | 14 | 50 | 70 | 65 |
| M2.5B27 | 27 | 14 | 50 | 72.5 | 67.5 |
| M2.5B28 | 28 | 14 | 50 | 75 | 70 |
| M2.5B29 | 29 | 14 | 50 | 77.5 | 72.5 |
| M2.5B30 | 30 | 16 | 55 | 80 | 75 |
| M2.5B31 | 31 | 16 | 55 | 82.5 | 77.5 |
| M2.5B32 | 32 | 16 | 55 | 85 | 80 |
| M2.5B33 | 33 | 16 | 55 | 87.5 | 82.5 |
| M2.5B34 | 34 | 16 | 55 | 90 | 85 |
| M2.5B35 | 35 | 16 | 60 | 92.5 | 87.5 |
| M2.5B36 | 36 | 16 | 60 | 95 | 90 |
| M2.5B37 | 37 | 16 | 60 | 97.5 | 92.5 |
| M2.5B38 | 38 | 16 | 60 | 100 | 95 |
| M2.5B39 | 39 | 16 | 60 | 102.5 | 97.5 |
| M2.5B40 | 40 | 20 | 70 | 105 | 100 |
| M2.5B41 | 41 | 20 | 70 | 107.5 | 102.5 |
| M2.5B42 | 42 | 20 | 70 | 110 | 105 |
| M2.5B43 | 43 | 20 | 70 | 112.5 | 107.5 |
| M2.5B44 | 44 | 20 | 70 | 115 | 110 |
| M2.5B45 | 45 | 20 | 70 | 117.5 | 112.5 |
| M2.5B46 | 46 | 20 | 70 | 120 | 115 |
| M2.5B47 | 47 | 20 | 80 | 122.5 | 117.5 |
| M2.5B48 | 48 | 20 | 80 | 125 | 120 |
| M2.5B49 | 49 | 20 | 80 | 127.5 | 122.5 |
| M2.5B50 | 50 | 20 | 80 | 130 | 125 |
| M2.5B51 | 51 | 20 | 80 | 132.5 | 127.5 |
| M2.5B52 | 52 | 20 | 90 | 135 | 130 |
| M2.5B53 | 53 | 20 | 90 | 137.5 | 132.5 |
| M2.5B54 | 54 | 20 | 90 | 140 | 135 |
| M2.5B55 | 55 | 20 | 90 | 142.5 | 137.5 |
| M2.5B56 | 56 | 20 | 100 | 145 | 140 |
| M2.5B57 | 57 | 20 | 100 | 147.5 | 142.5 |
| M2.5B58 | 58 | 20 | 100 | 150 | 145 |
| M2.5B59 | 59 | 20 | 100 | 152.5 | 147.5 |
| M2.5B60 | 60 | 20 | 100 | 155 | 150 |
| M2.5B62 | 62 | 20 | 100 | 160 | 155 |
| M2.5B63 | 63 | 20 | 100 | 162.5 | 157.5 |
| M2.5B67 | 67 | 20 | 100 | 172.5 | 162.5 |
Filter by:
Clear All