Steel 35SMnPb10, Bearing Parts 18NiCrMo5Pb. The needle-bearing universal joints have almost zero backlash, high accuracy and good turning properties. These special needle-rollers without cage can take high loads even at large operating angles. A special grinding process realizes a perfect parallelism of the axes and the single parts of the joints - which guarantees an extremely long service life.
SIZES IN MM
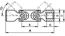
Max. Operating Angle 90°

*If data table appears to be cutoff please scroll horizontally
| Part # | B-H7 | D | A | E | C | Permissible Max - 250 (Nm) | Permissible Max - 500 (Nm) | Permissible Max - 1000 (Nm) | Permissible Max - 2000 (Nm) | Permissible Max - 3000 (Nm) | Permissible Max - 4000 (Nm) | Weight (kg) |
|---|---|---|---|---|---|---|---|---|---|---|---|---|
| UR10D | 10 | 20 | 88 | 26 | 18 | 19.8 | 15.3 | 12.6 | 9.9 | 9 | 8 | 0.14 |
| UR14D | 14 | 25 | 104 | 33 | 20 | 30 | 26 | 21 | 19 | 18 | 16 | 0.24 |
| UR16D | 16 | 32 | 125 | 38 | 24 | 58 | 49 | 40 | 35 | 33 | 28 | 0.52 |
| UR20D | 20 | 40 | 156 | 48 | 30 | 125 | 108 | 90 | 70 | 63 | 58 | 1.01 |
| UR25D | 25 | 50 | 188 | 56 | 38 | 180 | 150 | 117 | 95 | 80 | 75 | 1.63 |
| UR30D | 30 | 63 | 238 | 80 | 42 | 270 | 240 | 207 | 170 | 140 | 125 | 3.90 |
| UR35D | 35 | 70 | 212 | 78 | 30 | 293 | 249 | 213 | 178 | 151 | x | 4.08 |
| UR40D | 40 | 80 | 290 | 120 | 48 | 328 | 272 | 230 | 185 | 167 | x | 7.96 |