
**PLASTIC, PLATE STYLE & CUSTOM GEARS ALSO AVAILABLE**
MATERIAL: C45 Steel & Stainless Steel 1.4305 - C45 Steel Can be Heat Treated
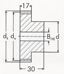
20° Pressure Angle
SIZES IN MM
*If data table appears to be cutoff please scroll horizontally
| Part # | No. Of Teeth | Bore-BH8 | Hub Dia. - d | Outside Dia. - dk | Pitch Dia. - do |
|---|---|---|---|---|---|
| M1.5B12 | 12 | 8 | 14 | 21 | 18 |
| M1.5B13 | 13 | 8 | 14 | 22.5 | 19.5 |
| M1.5B14 | 14 | 8 | 18 | 24 | 21 |
| M1.5B15 | 15 | 8 | 18 | 25.5 | 22.5 |
| M1.5B16 | 16 | 8 | 20 | 27 | 24 |
| M1.5B17 | 17 | 8 | 20 | 28.5 | 25.5 |
| M1.5B18 | 18 | 8 | 20 | 30 | 27 |
| M1.5B19 | 19 | 8 | 20 | 31.5 | 28.5 |
| M1.5B20 | 20 | 8 | 25 | 33 | 30 |
| M1.5B21 | 21 | 10 | 25 | 34.5 | 31.5 |
| M1.5B22 | 22 | 10 | 25 | 36 | 33 |
| M1.5B23 | 23 | 10 | 25 | 37.5 | 34.5 |
| M1.5B24 | 24 | 10 | 25 | 39 | 36 |
| M1.5B25 | 25 | 10 | 25 | 40.5 | 37.5 |
| M1.5B26 | 26 | 12 | 30 | 42 | 39 |
| M1.5B27 | 27 | 12 | 30 | 43.5 | 40.5 |
| M1.5B28 | 28 | 12 | 30 | 45 | 42 |
| M1.5B29 | 29 | 12 | 30 | 46.5 | 43.5 |
| M1.5B30 | 30 | 12 | 30 | 48 | 45 |
| M1.5B31 | 31 | 12 | 35 | 49.5 | 46.5 |
| M1.5B32 | 32 | 12 | 35 | 51 | 48 |
| M1.5B33 | 33 | 12 | 35 | 52.5 | 49.5 |
| M1.5B34 | 34 | 12 | 35 | 54 | 51 |
| M1.5B35 | 35 | 12 | 35 | 55.5 | 52.5 |
| M1.5B36 | 36 | 12 | 35 | 57 | 54 |
| M1.5B37 | 37 | 12 | 40 | 58.5 | 55.5 |
| M1.5B38 | 38 | 12 | 40 | 60 | 57 |
| M1.5B39 | 39 | 12 | 40 | 61.5 | 58.5 |
| M1.5B40 | 40 | 12 | 40 | 63 | 60 |
| M1.5B41 | 41 | 14 | 50 | 64.5 | 61.5 |
| M1.5B42 | 42 | 14 | 50 | 66 | 63 |
| M1.5B43 | 43 | 14 | 50 | 67.5 | 64.5 |
| M1.5B44 | 44 | 14 | 50 | 69 | 66 |
| M1.5B45 | 45 | 14 | 50 | 70.5 | 67.5 |
| M1.5B46 | 46 | 14 | 50 | 72 | 69 |
| M1.5B47 | 47 | 14 | 50 | 73.5 | 70.5 |
| M1.5B48 | 48 | 14 | 50 | 75 | 72 |
| M1.5B49 | 49 | 14 | 50 | 76.5 | 73.5 |
| M1.5B50 | 50 | 14 | 50 | 78 | 75 |
| M1.5B51 | 51 | 15 | 60 | 79.5 | 76.5 |
| M1.5B52 | 52 | 15 | 60 | 81 | 78 |
| M1.5B53 | 53 | 15 | 60 | 82.5 | 79.5 |
| M1.5B54 | 54 | 15 | 60 | 84 | 81 |
| M1.5B55 | 55 | 15 | 60 | 85.5 | 82.5 |
| M1.5B56 | 56 | 15 | 60 | 87 | 84 |
| M1.5B57 | 57 | 15 | 60 | 88.5 | 85.5 |
| M1.5B58 | 58 | 15 | 60 | 90 | 87 |
| M1.5B59 | 59 | 15 | 60 | 91.5 | 88.5 |
| M1.5B60 | 60 | 15 | 60 | 93 | 90 |
| M1.5B61 | 61 | 20 | 70 | 94.5 | 91.5 |
| M1.5B62 | 62 | 20 | 70 | 96 | 93 |
| M1.5B63 | 63 | 20 | 70 | 97.5 | 94.5 |
| M1.5B64 | 64 | 20 | 70 | 99 | 96 |
| M1.5B65 | 65 | 20 | 70 | 100.5 | 97.5 |
| M1.5B66 | 66 | 20 | 70 | 102 | 99 |
| M1.5B67 | 67 | 20 | 70 | 103.5 | 100.5 |
| M1.5B68 | 68 | 20 | 70 | 105 | 102 |
| M1.5B69 | 69 | 20 | 70 | 106.5 | 103.5 |
| M1.5B70 | 70 | 20 | 70 | 108 | 105 |
| M1.5B71 | 72 | 20 | 80 | 111 | 108 |
Filter by:
Clear All