
**PLASTIC, PLATE STYLE & CUSTOM GEARS ALSO AVAILABLE**
MATERIAL: C45 Steel & Stainless Steel 1.4305 - C45 Steel Can be Heat Treated
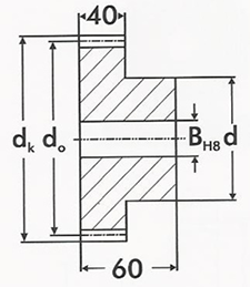
20° Pressure Angle
SIZES IN MM
*If data table appears to be cutoff please scroll horizontally
| Part # | No. Of Teeth | Bore-BH8 | Hub Dia. - d | Outside Dia. - dk | Pitch Dia. - do |
|---|---|---|---|---|---|
| M4B12 | 12 | 14 | 35 | 56 | 48 |
| M4B13 | 13 | 14 | 40 | 60 | 52 |
| M4B14 | 14 | 14 | 45 | 64 | 56 |
| M4B15 | 15 | 14 | 45 | 68 | 60 |
| M4B16 | 16 | 15 | 50 | 72 | 64 |
| M4B17 | 17 | 15 | 50 | 76 | 68 |
| M4B18 | 18 | 15 | 50 | 80 | 72 |
| M4B19 | 19 | 15 | 60 | 84 | 76 |
| M4B20 | 20 | 15 | 60 | 88 | 80 |
| M4B21 | 21 | 20 | 70 | 92 | 84 |
| M4B22 | 22 | 20 | 70 | 96 | 88 |
| M4B23 | 23 | 20 | 75 | 100 | 92 |
| M4B24 | 24 | 20 | 75 | 104 | 96 |
| M4B25 | 25 | 20 | 75 | 108 | 100 |
| M4B26 | 26 | 20 | 75 | 112 | 104 |
| M4B27 | 27 | 20 | 75 | 116 | 108 |
| M4B28 | 28 | 20 | 75 | 120 | 112 |
| M4B29 | 29 | 20 | 75 | 124 | 116 |
| M4B30 | 30 | 20 | 75 | 128 | 120 |
| M4B31 | 31 | 20 | 80 | 132 | 124 |
| M4B32 | 32 | 20 | 80 | 136 | 128 |
| M4B33 | 33 | 20 | 80 | 140 | 132 |
| M4B34 | 34 | 20 | 80 | 144 | 136 |
| M4B35 | 35 | 20 | 80 | 148 | 140 |
| M4B36 | 36 | 20 | 80 | 152 | 144 |
| M4B37 | 37 | 25 | 80 | 156 | 148 |
| M4B38 | 38 | 25 | 80 | 160 | 152 |
| M4B39 | 39 | 25 | 80 | 164 | 156 |
| M4B40 | 40 | 25 | 80 | 168 | 160 |
| M4B45 | 45 | 25 | 80 | 188 | 180 |
| M4B48 | 48 | 25 | 80 | 200 | 192 |
| M4B50 | 50 | 25 | 80 | 208 | 200 |
| M4B60 | 60 | 25 | 100 | 248 | 240 |
| M4B65 | 65 | 25 | 100 | 268 | 260 |
Filter by:
Clear All